Ir al contenido

LM3914 Controlador LED

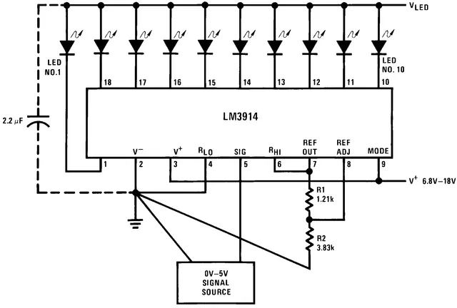
El LM3914 es un circuito integrado que actúa como un controlador de barras o puntos LED, permitiendo visualizar niveles de voltaje en aplicaciones como medidores de batería, VU meters y sistemas de monitoreo.

Especificaciones y características:

  • No requiere microcontrolador para operar
  • Funciona con voltajes de referencia internos o externos
  • Puede manejar directamente LEDs sin resistencias limitadoras externas
  • Compatible con otros CI como LM3915 (logarítmico) y LM3916 (VU meter)
  • Aplicado en indicadores de nivel de batería, voltímetros y medidores de audio
  • Voltaje de operación: 3V – 18V
  • Modos de visualización: Barra o punto
  • Número de salidas: 10 (para LEDs, LCDs o VFDs)
  • Corriente de salida: Ajustable (hasta 30mA por LED)
  • Consumo de corriente: ~2.5mA (sin LEDs encendidos)
  • Precisión de referencia: 1.2V ± 1%
  • Temperatura de operación: -40°C a 85°C
  • Encapsulados disponibles: DIP-18
  • Contenido: 1 pz

    SKU: G10O-C
25.00 25.00