Ir al contenido

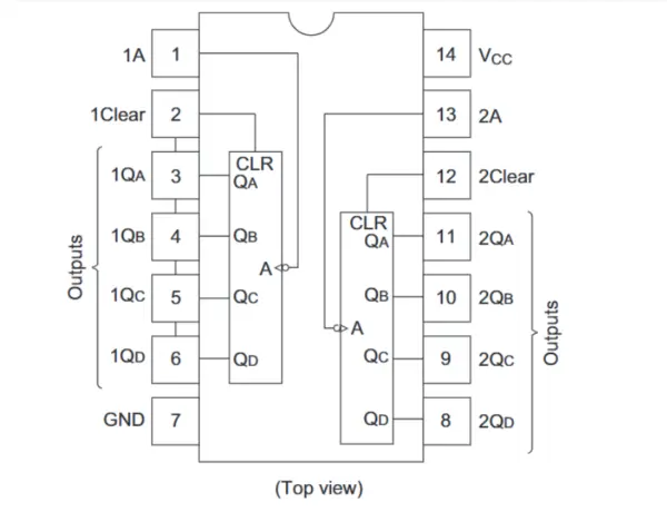
HD74HC393P Contador

Especificaciones y características:

  • Tipo de Contador: Binario dual de 4 bits.
  • Tecnología: CMOS (High-speed CMOS Logic).
  • Voltaje de Operación: 2V a 6V.
  • Velocidad de Operación: Tiempos de propagación típicos de 13 ns a 5V.
  • Consumo de Corriente: Baja corriente de operación, típico de 2 µA a 6V.
  • Capacidad de Contador: Dos contadores independientes de 4 bits.
  • Frecuencia de Operación: Hasta 60 MHz a 6V.
  • Configuración de Salida: Salida de avance para encadenamiento de contadores.
  • Temperatura de Operación: -40°C a 85°C.
  • Encapsulado: DIP de 14 pines (HD74HC393P)

SKU M4-110-C3

Circuito integrado TTL Contador Binario
10.00 10.00